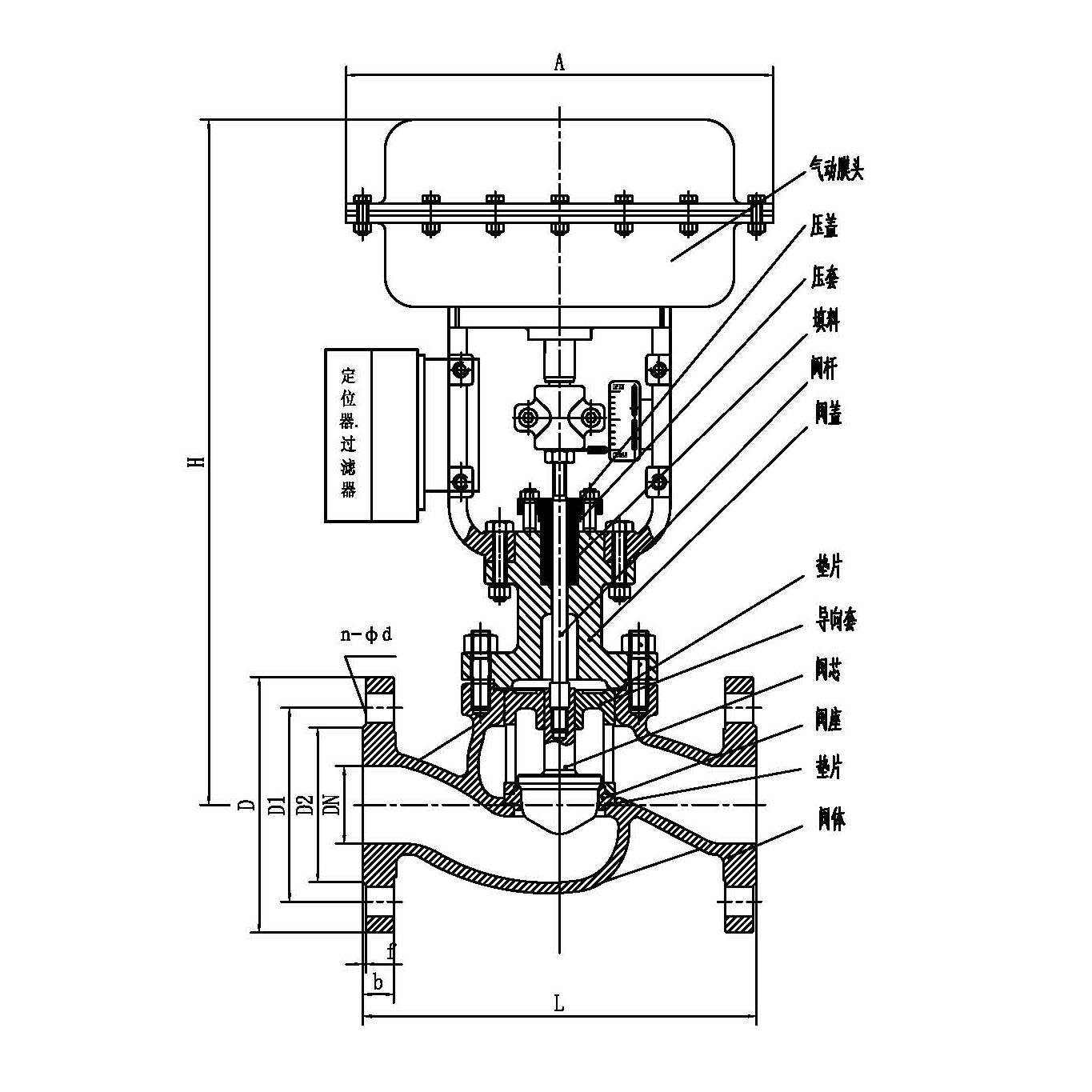
DHCB電動平衡籠式調節閥,控制各種高溫,低溫的高壓流體,是一種壓力平衡式的調節閥。閥結構緊湊,有呈S流線型的通道,還設有一個改善套筒周圍流體平街流動的導流翼,使其壓降損失小,流量大,可調節范圍廣,流量特性精度高,符合IEC534- 1-1976標準。調節閥動態穩定性好,噪音低,空化腐蝕小。調節閥的泄露量符合ANSIB16. 104標準。
產品符合GB/T4213-92. JB/T7387-94
| 主要技術參數和性能指標 | |||
| 1.閥體 | |||
| 型式 | 直通單座鑄造球型間 | ||
| 公稱通徑DN(mm) | 40、 50、 65、 80、100、 150、 200mm | ||
| 公稱壓力 | ANSI125、 150、 300、 600 | ||
| J1S10、 16、 20、 30、 40K | |||
| PN1.6、4.0、 6.4MPa | |||
| 連接形式 | 法蘭連接 | FF、 RF、RJ、 LG溝槽型、嵌入型 | |
| 法蘭標準 | JIS B2201-1984. ANSIB16.5-1981、JB79-59等 | ||
| 焊接連接 | 嵌接焊SW (40~50MM)對接焊BW (65~200MM) | ||
| 材料 | C4、904L、ZTA2等 | ||
| 上閥蓋 | 常溫型(P) | -17-+230C | 注:工作溫度不準超過各種材料的允許范圍 |
| 伸長I型(EI) | -45--17C. -230-+566C | ||
| 伸長II型(EII) | -100--45C | ||
| 伸長III型(EIII) | -196C--100C | ||
| 壓蓋型式 | 螺栓壓緊式 | ||
| 填料 | V型聚四氟乙烯填料、含浸聚四氟乙烯石棉填料、石棉編織填料、石墨填料 | ||
| 2.閥內組件 | ||||
| 閥芯型式 | 壓力平衡式閥芯 | |||
| 流量特性 | 高容量流量特性,參考圖2 | 金屬閥座 | 等百分雙特性(%V)和線性特性(LV) | 注: 1、整體和分離式套黃應根據公稱通徑、材和工作溫室定2. 軟閥座的工作溫度和 壓差范圍。請參考圖 |
| 軟閥座 | 等百分雙特性(%V)和線性特性(LT) | |||
| 高精度流量特性,參考圖1 | 金屬閥座 | 等百分雙特性(%VF)和線性特性(LVF) | ||
| 軟閥座 | 等百分雙特性(%TF)和線性特性(LTF) | |||
| 材料 | 不銹鋼(1Cr18Ni9Ti、1Cr18Ni2Mo2Ti、17-4PH.9Cr18、316L)鈦合耐腐蝕合金 | |||
| 3、高精度流量特性閥芯(%VF、LVF、%TF、LTF) | ||||||||||||||||||||||
| 公稱通徑 | 40 | 50 | 65 | 80 | 100 | 150 | 200 | |||||||||||||||
| 閥座直徑 | 25 | 32 | 40 | 32 | 40 | 50 | 40 | 50 | 65 | 50 | 65 | 80 | 65 | 80 | 100 | 100 | 125 | 150 | 125 | 150 | 200 | |
| 額定Cv值 | 11 | 17 | 24 | 17 | 24 | 44 | 24 | 44 | 68 | 44 | 68 | 99 | 68 | 88 | 175 | 175 | 360 | 360 | 275 | 360 | 360 | |
| 等百分比線性 | 金屬閥座 | Δ | Δ | Δ | Δ | Δ | Δ | Δ | Δ | Δ | Δ | Δ | Δ | Δ | Δ | Δ | Δ | Δ | Δ | Δ | Δ | Δ |
| 軟閥座 | О | О | О | О | О | О | О | О | О | О | О | О | О | О | О | О | О | О | О | О | О | |
| 額定行程 | 25 | 38 | 50 | 75 | ||||||||||||||||||